

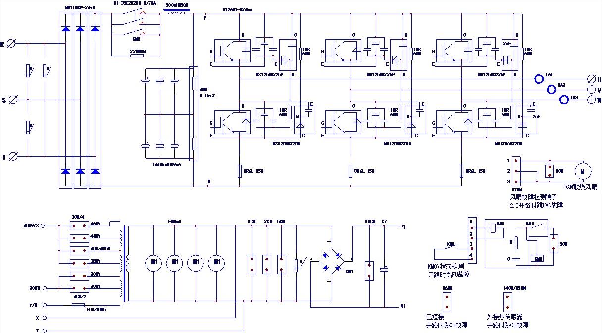
打开这两种大功率变频器的外壳,检查主电路时,安装于逆变模块上方(与模块并联的)的六只长方形盒体状的大东西,首先会引起我们的兴趣——与每相上臂IGBT管子并联的是型号为MS1250D225P,与下臂IGBT管子并联的型号为MS1250D225N。用句网络上的话说:这究竟是个什么东东?安装于此处意欲何为呢?
大凡并联在IGBT管子上的东西,或电容或阻容网络,均是为保护IGBT管子而设置的。即当该管子截止时,快速消耗掉反向电压所形成的能量,提供一个反向电流的通路,以保护IGBT管子不承受(实质上是使其承受得少一点罢了)反压的冲击。众所周知,无论是双极型或是场效应器件,在承受正向电压上往往有一定的富裕量,但对于反向电压的耐受能力却是极其脆弱的。所以在IGBT管子上并联的一嘟喽一嘟喽的东西,可以说都是完成此一消耗反压任务的。
需要说明的是:MS1250D225P和MS1250D225N的内部电路,笔者并未打开实物进行验证,模块损坏后,这两种器件往往都是完好的,所以也不便将其破坏后拆解。上图的内部电路是据测量揣摩画出的,仅为读者朋友提供一个参考。查找了大量资料和在网络上进行了搜寻,均未找到此元件的资料。从揣测电路的基础上进行原理上的分析,显然容易产生误导。故暂时省略对其原理的解析。
但在模块上并联了此类元件后,将在检修上给我们带来新的体验。见下述。
按照常规的检修方法,我们在更换损坏的模块后,进行通电试验前,须将上图中的P点切断,串入两只25W(或40W)灯泡,再行上电,这样万一逆变模块回路或驱动电路异常,造成上、下臂两只IGBT管子共通对直流电源的短路时,因灯泡的限流作用,使昂贵的IGBT模块免遭损坏。其它品牌的变频器,在管子两端并联皮法级的小容量电容,在通电或变频器启动后,只要U、V、W输出端子空载,灯泡是不会亮的。但安川变频器在检修中的表现就有所不同了。在P点串入灯泡,上电,灯泡不亮,是对的,松了一口气;按操作面板启动变频器,灯泡变为雪亮!坏了,输出模块有短路现象!这是第一判断。停电检查模块和驱动电路,均无异常。回头查看电路结构,在拆除掉MS1250D225P和MS1250D225N后,启动变频器后灯泡不亮了。测空载输出三相电压正常。这两只元件与外接10Ω80W电阻,提供了约百毫安的电流通路,使25W灯泡变为雪亮。以几十瓦的功耗的牺牲换来IGBT管子更高的安全性,这是安川变频器的模块保护电路的特色。
变频器空载启动后,由于MS1250D225P和MS1250D225N等元件的关系,逆变电路自身形成了一定的电路通路,并非为逆变模块不良造成。该机是一个特例。有了电路通路,也并一定是模块已经损坏了,观察一下,是哪些元件提供了此电流的通路?当新鲜的经验固化成思维定式,对故障的误判就在所难免了。
整机控制电源是由图下方一只多抽头变压器来取得的。插座3CN和4CN的短接线不同,可调整输入电压的级别,以保证次级绕组AC220V电压的精确度。散热风机是采用AC220V电源的,此电源又经整滤波做为开关电源的输入。单独检修驱动板时,须将风扇端子的2、3;接触器端子的3、4;14CN,15CN,16CN的端子均短接,人为消除欠压(FU/LU)、过热(OH)、风扇坏(FAN)等故障信号,才能使CPU输出六路脉冲信号,便于对驱动电路进行检查。

相关链接:安川伺服器A300故障维修
上一页:常规变频器IGBT测量四大神器