
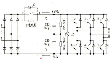
中小功率通用变频器一般为电压型变频器,采用交—直—交工作方式。当变频器刚上电时,由于直流侧的滤波电容容量非常大,在刚充电的瞬间对电流相当于短路,电流会很大。如果在整流桥与电解电容之间不加充电电阻,则相当于380V电源直接对地短路,瞬间整流桥通过无穷大的电流导致整流桥炸掉。加上充电电阻限流后,要是不并继电器或其他元件,充电电阻消耗功率也很大,很容易引发变频器充电电阻和储能电容故障。例如对于22kW的变频器,在PN端(直流母线)上至少有45A的电流。如果“接控制电路”部分出问题(比如继电器或者晶闸管等等质量有问题)则在变频器运行一会儿充电电阻就将因发热太大而坏掉。所以充电电阻串接在充电回路中,起通电瞬间限流充电,以保护整流器等一些输入回路器件的作用,有的书本上也叫缓冲电阻或启动电阻。西门子6SE701G变频启动电路如附图所示。

充电完成后,控制电路通过继电器的触点或晶闸管将电阻短路,完成变频器的上电过程。如果变频器的交流输入电源频繁通断,或者旁路接触器的触点接触不良或晶闸管的导通阻值变大,反复充电或充电时间过长都会导致充电电阻烧坏。因此在替换充电电阻前,必须找出原因,才能再将变频器投入使用。
但有的变频器在启动期间CPU是有一个电压检测和降频动作的,如果接触器线圈引线端子松动造成接触不良,接触器未能吸合,启动时的较大电流在充电电阻上形成较大的压降,主回路直流电压的急剧跌落为电压检测电路所侦测,CPU会做出降频指令,在空载或轻载时,检测电路将欠压故障“及时上报”,CPU马上停机保护。电阻来不及烧掉,变频器已经停机保护。
那么,如何选择充电电阻的阻值呢?
380V交流电整流后经过充电电阻对电解电容充电,当充到一定值(比如DC200V)辅助电源启动给控制板供电,让控制板工作从而继电器或晶闸管接通,充电电阻就不再工作了。在开机的瞬间,充电电阻越小,则流过整流桥的电流就越大。经常有初学变频器维修者打来电话咨询,更换了充电电阻,变频器一开机,整流桥马上就被炸掉了,是不是充电电阻选择太小了呢?答案是否定的。
其实,在开机瞬间,一般情况下一开机炸掉整流桥不是因为选择的充电电阻R小了,而是R太大导致整流桥的炸掉。因为变频器开机后,电流经充电电阻去充电,当充的电足够辅助电源启动(比如200V),CPU工作,发出信号给继电器或晶闸管可控硅让其导通。在继电器导通瞬间继电器b点处电压要是很低(比200V大),而a点电压是AC380V直接整流过来大概在DC540V左右,所以a、b二端压差很大。在触发、导通瞬间电流很大,就好比a、b之间是一个很小的电阻,瞬间几百伏电压加上去,这样整流桥流过的电流远远大于整流桥额定电流,所以把整流桥炸掉。
变频器功率越大,充电电阻越小。因为变频器功率越大,需要电解电容的容量就越大,而电容器的容量越大,所需要充电的时间就越长。RC决定充电时间,要想充电时间尽量短,只有把充电电阻R取小。一般充电电阻选择:最大值最好不要超过300Ω,最小值最好大于等于10Ω,大功率变频器选择充电电阻小,小功率变频器充电电阻大。
储能电容 储能电容容量的选择
一般选择经验值为≥60μF/A。例如,一台15kW的变频器额定电流为30A,需要的电容容量为≥60μF/A×30 A即至少为1800μF,所以一般选择4个2200μF(二并二串)或者2个4700μF的电容(二串联)。当然还要考虑所选电容器的品牌,品牌不同,质量相差会很大。
有的人维修变频器只对损坏的逆变模块一换了之,往往用不了多长时间模块再次损坏。出现这种情况会抱怨模块质量不佳,用户使用环境太差等等。其实,最重要的原因是他们没有找出逆变模块损坏的原因,没有彻底清除故障隐患。
逆变模块的损坏,除了负载长时间过载、散热不良和雷电冲击之外,究其内部原因,电容器的容量减小、失容和失效,是导致其损坏的致命杀手!其危害性不容忽视。容量减小,轻者表现为带负载能力差,负载加重时往往引起直流回路欠压跳闸故障,电容进一步损坏时,则形成对逆变模块的致命打击,此时,电压检测电路来不及做出反应,报出故障,造成逆变模块损坏。
电容不良或失效以后(或容量变小),带小功率负载(大马拉小车)运行时表面上看不出什么异常,但接入较大功率负载后(满载运行)情形就不一样了。此时变频器直流回路已完全(或者部分)丧失储能滤波能力。直流回路是频率为300Hz的脉动直流,电机启动时的电流吸入,加大了脉动电流的脉动成分。这是电阻选小了对高压电容不利,电阻选大了容易炸的原因之一。此外,如果电机绕组的反电势或变频器的某一输出载波,恰好落在脉动直流的变化范围之内,二者相互叠加,整个系统内脉动电流的急剧变化,恰好落到某一频率点上,电路中的分布电感和分布电容不时的加入进来,各方面的不利因素的加入和互为作用,使回路中的动态能量急剧上升,瞬间危险的谐振过电压在此时出现!逆变模块中的IGBT管和电路中的尖峰电压吸收二极管,它们的耐压值在正常时有一定的甚至是较大的富裕量,但在此时高于耐压值数倍的高电压冲击下,并无招架之功,也显得非常脆弱,过电压炸裂和击穿短路也就不足为奇了。虽然变频器有完善的电压或电流保护检测电路,但如果经常要面对此类瞬间电压畸变,显得无能无力,或有时根本无法做出适时的反应。
但储能电容不良故障往往又较为隐蔽,可以说是软故障,容易被人忽视。有的电容测其容量似乎没有问题,也可以运行,但在运行中是一大隐患。尤其是大功率变频器中的电容,如果环境恶劣运行年久,其引出电极常年累月经受数百赫兹的大电流充、放电冲击,出现不同程度的腐蚀氧化现象,用电容表测量,容量无异常,但接在电路中,则因充、放电内阻增大,致使直流回路电压跌落,变频器不能正常工作,从而使检修人员作出误判,走弯路。再次强调:储能电容失容后极易出现谐振过电压导致模块炸裂。
在这里特别强调:维修变频器如果是三年以上或运行限更长的变频器,不能忽略对储能电容的检查;对逆变模块说不清道不明原因的损坏,则应彻底检查、更换直流回路中的储能电容!
相关链接:变频器什么情况下需要配制动电阻?
下一页:变频器省电的四大误区