
1.引言
随着变频器在产业生产中日益广泛的应用,了解变频器控制电路故障点,主要器件的电气特性和一些常用参数的作用,及其常见故障越来越显示出其重要性。
给异步电动机供电 (电压、频率可调)的主电路提供控制信号的回路,称为控制电路,如图1所示。控制电路由以下电路组成:频率、电压的运算电路、主电路的电压、电流检测电路、电动机的速度检测电路、将运算电路的控制信号进行放大的驱动电路,以及逆变器和电动机的保护电路。

图 1
在图1划虚线内,无速度检测电路为开环控制。在控制电路增加了速度检测电路,即增加速度指令,可以对异步电动机的速度进行控制更精确的闭环控制。
1)运算电路将外部的速度、转矩等指令同检测电路的电流、电压信号进行比较运算,决定逆变器的输出电压、频率。
2)电压、电流检测电路
与主回路电位隔离检测电压、电流等。
3)驱动电路
为驱动主电路器件的电路,它与控制电路隔离使主电路器件导通、关断。
4)I/0输进输出电路
为了变频器更好人机交互,变频用具有多种输进信号的输进 (比如运行、多段速度运行等)信号,还有各种内部参数的输出“比如电流、频率、保护动作驱动等)信号。
5)速度检测电路
以装在异步电动轴机上的速度检测器 (TG、PLG等)的信号为速度信号,送进运算回路,根据指令和运算可使电动机按指令速度运转。
6)保护电路
检测主电路的电压、电流等,当发生过载或过电压等异常时,为了防止逆变器和异步电动机损坏,使逆变器停止工作或抑制电压、电流值。
由于主回路的非线性 (进行开关动作),变频器本身就是谐波干扰源,而其周边控制回路却是小能量、弱信号回路,极易遭受其它装置产生的干扰,造成变频器自身和周边设备无法正常的工作。因此,变频器在安装使用时,必须对控制回路采取抗干扰措施。
1)变频器的基本控制回路
同外部进行信号交流的基本回路有模拟与数字两种:
① 4~20mA电流信号回路(模拟);1~5V/0~5V电压信号回路(模拟)。
②开关信号回路,变频器的开停指令、正反转指令等 (数字)。
外部控制指令信号通过上述基本回路导进变频器,同时干扰源也在其回路上产生干扰电势,以控制电缆为媒体进侵变频器。

2)干扰的基本类型及抗干扰措施。
①静电耦合干扰:指控制电缆与四周电气回路的静电容耦合,在电缆中产生的电势。
措施:加大与干扰源电缆的间隔,达到导体直径 40倍以上时,干扰程度就不大明显。
在两电缆间设置屏蔽导体,再将屏蔽导体接地。
②静电感应干扰:指四周电气回路产生的磁通变化在电缆中感应出的电势。干扰的大小取决干扰源电缆产生的磁通大小,控制电缆形成的闭环面积和干扰源电缆与控制电缆间的相对角度。
措施:一般将控制电缆与主回路电缆或其它动力电缆分离展设,分离间隔通常在 750px以上(最低为250px),分离困难时,将控制电缆穿过铁管展设。将控制导体绞合,绞合间距越小,展设的路线越短,抗干扰效果越好。
③电波干扰:指控制电缆成为天线,由外来电波在电缆中产生电势。
措施:同 1和2所述。必要时将变频器放进铁箱内进行电波屏蔽,屏蔽用的铁箱要接地。
④接触不良干扰:指变频器控制电缆的电接点及继电器触点接触不良,电阻发生变化在电缆中产生的干扰。
措施:对继电器触点接触不良,采用并联触点或镀金触点继电器或选用密封式继电器。对电缆连接点应定期做拧紧加固处理。
⑤电源线传导干扰:指各种电气设备从同一电源系统获得供电时,由其它设备在电源系统直接产生电势。
措施:变频器的控制电源由另外系统供电,在控制电源的输进侧装设线路滤波器;装设尽缘变压器,且屏蔽接地。
⑥接地干扰:指机体接地和信号接地。对于弱电压电流回路及任何不公道的接地均可诱发的各种意想不到的干扰,比如设置两个以上接地点,接地处会产生电位差,产生干扰。
措施:速度给定的控制电缆取 1点接地,接地线不作为信号的通路使用。电缆的接地在变频器侧进行,使用专设的接地端子,不与其它接地端子共用,并尽量减少接地端子引接点的电阻,一般不大于100d。
3)其它留意事项
①装有变频器的控制柜,应尽量阔别大容量变压器和电动机。其控制电缆线路也应避开这些漏磁通大的设备。
②弱电压电流控制电缆不要接近易产生电弧的断路器和接触器。
③控制电缆建议采用 1.25mm×2或2mm×2屏蔽绞合尽缘电缆。
④屏蔽电缆的屏蔽要连续到电缆导体同样长。电缆在端子箱中连接时,屏蔽端子要互相连接。
1)变频器充电起动电路故障
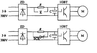
通用变频器一般为电压型变频器,采用交—直—交工作方式,即是输进为交流电源,交流电压三相整流桥整流后变为直流电压,然后直流电压经三相桥式逆变电路变换为调压调频的三相交流电输出到负载。当变频器刚上电时,由于直流侧的平波电容容量非常大,充电电流很大,通常采用一个起动电阻来限制充电电流,常见的变频起动两种电路,如图 1所示。
充电完成后,控制电路通过继电器的触点或晶闸管将电阻短路,起动电路故障一般表现为起动电阻烧坏,变频器报警显示为直流母线电压故障,一般设计者在设计变频器的起动电路时,为了减少变频器的体积选择起动电阻,都选择小一些,电阻值在10~50Ω,功率为10~50W。
当变频器的交流输进电源频繁通时,或者旁路接触器的触点接触不良时,以及旁路晶闸管的导通阻值变大时,都会导致起动电阻烧坏。如遇此情况,可购买同规格的电阻换之,同时必须找出引出电阻烧坏的原因。假如故障是由输进侧电源频率开合引起的,必须消除这种现象才能将变频器投进使用;假如故障是由旁路继电器触点或旁路晶闸管引起,则必须更换这些器件。

图 2
2)变频器无故障显示,但不能高速运行
某厂一台变频器状态正常,但调不到高速运行,经检查,变频器并无故障,参数设置正确,调速输进信号正常,上电运行时测试出现变频器直流母线电压只有 450V左右,正常值为580~600V,再测输进侧,发现缺了一相,故障原因是输进侧的一个空气开关的一相接触不良造成的,为什么变频器输进缺相不报警仍能在低频段工作呢?实际上变频器缺一相输进时,是可以工作的,多数变频器的母线电压下限为400V,即是当直流母线电压降至400V以下时,变频器才报告直流母线低电压故障。
当两相输进时,直流母线电压为380*1.2=452V>400V。当变频器不运行时,由于平波电容的作用,直流电压也可达到正常值,新型的变频器都是采用PWM控制技术,调压调频的工作在逆变桥完成,所以在低频段输进缺相仍可以正常工作,但由于输进电压低输出电压低,造成异步电机转矩低,频率上不往。
3)变频器显示过流
出现这种故障显示时,首先检查加速时间参数是否太短,力矩提升参数是否太大,然后检查负载是否太重。假如无这些现象,可以断开输出侧的电流互感器和直流侧的霍尔电流检测点,复位后运行,看是否出现过流现象,假如出现的话,很可能是 1PM模块出现故障,由于1PM模块内含有过压过流、欠压、过载、过热、缺相、短路等保护功能,而这些故障信号都是经模块控制引脚的输出Fn引脚传送到微控器的,微控器接收到故障信息后,一方面封闭脉冲输出,另一方面将故障信息显示在面板上,一般更换1PM模块。
4)变频器显示过压故障
变频器出现过压故障,一般是雷雨天气,由于雷电串进变频器的电源中,使变频器直流侧的电压检测器动作而跳闸,在这种情况下,通常只须断开变频器电源 1min左右,再合上电源,即可复位;
另一种情况是变频器驱动大惯性负载,就出现过压现象,由于这种情况下,变频器的减速停止属于再生制动,在停止过程中,变频器的输出频率按线性下降,而负载电机的频率高于变频器的输出频率,负载电机处于发电状态,机械能转化为电能,并被变频器直流侧的平波电容吸收,当这种能量足够大时,就会产生所谓的“泵升现象”,变频器直流侧的电压会超过直流母线的最大电压而跳闸,对于这种故障,一是将减速时间参数设置长些或增大制动电阻或增加制动单元;二是将变频器的停止方式设置为自由停车。
5)电机发热,变频器显示过载
对于已经投进运行的变频器假如出现这种故障,就必须检查负载的状况;对于新安装的变频器假如出现这种故障,很可能是 V/F曲线设置不当或电机参数设置有题目,如一台新装变频器,其驱动的是一台变频电机,电机额定参数为220V/50Hz,而变频器出厂时设置为380V/50Hz,由于安装职员没有正确设定变频器的V/F参数,导致电机运行一段时间后转子出现磁饱和,致使电机转速降低,发热而过载。
所以在新变频器使用以前,必须设置好该参数,另外使用变频器的无速度传感器矢量控制方式时,没有正确的设置负载电机的额定电压、电流、容量等参数,也会导致电机热过载,还有一种情形是设置的变频器载波率过高时,也会导致电机发热过载,最后一种情形是电气设计者设计变频器经常在低频段工作,而没有考虑到在低频段工作的电机散热变差的题目,致使电机工作一段时间后发热过载,对于这种,需加装散热装置。
采用变频器作为异步电动机驱动器,尽管采用先进工艺和器件制造出来的新机可靠性非常高,但是假如使用不当或偶然事件也会发生造成变频器的损坏。要想在生产过程中,使用好变频器,熟悉变频器的结构原理,了解常见故障,对工控维修人员尤为重要。
相关链接:变频器维修常见故障处理方法!(整理收藏)