

1.主回路
施耐德ATV31H系列通用变频器采用的是交一直一交电压型变频方式,其主回路包括整流线路、滤波及储能线路、能耗制动、直一交逆变等几部分组成(其原理图见下图)。

(l)整流部分
三相整流部分由六只整流管组成整流桥,将电源的交流电全波整流成直流,三相电源的线电压为380V.则全波整流后的平均电压Ud为1.35x380=513V。由于施耐德ATV31H系列整流器均在模块内部,整流部分损坏后一般将整体更换。
(2)滤波部分
电容Cl和C2是将整流后的脉动直流电滤平电压纹波并储能。变频器功率越大所配备的电容容量越大。施耐德ATV31变频器的部分型号电容配置见下表。

有如下情况时,要检查电容是否损坏:
1)使用四年以上的变频器要检查容量是否下降。当容量下降到80%时就要更换电容。
2)滤波前的整流桥损坏后,就有交流电直接进入电容器,要检查电容器有没有损坏。
3)均压电阻Rll、R12损坏后.由于分压不均,要检查电容器有没有损坏。
4)外包绝缘损坏后,要检查电容器有没有损坏。
由于在变频器接通电源的瞬间,滤波电容器的充电电流很大,易损坏整流器。为了保护整流器.在电路中串接了RIA和RIB,以限制电容器的充电电流。当电容器上充电电压达到一定程度时,继电器RY1吸合,继电器触点接通短接Rl。
(3)制动部分
由于异步电动机在再生制动减速过程中,再生能量存储于滤波电路的电容器中,使直流母线的电压上升。为了释放制动能量.在模块中设置了一只ICBT管(图l中G7).通过控制IGBT管的导通程度可以设置制动时间。由于设备的需要,电机必须在规定的时间内停机,施耐德ATV31系列设置了通过直流注入控制停机。此功能可以通过菜单设定。
(4)逆变部分
逆变部分采用六只(或6xn只.5.5kWn=2,7.5kWn=3,n根据功率大小决定)IGBT管和续流二极管组成,由上、下桥推动电路控制六只ICBT管的开,关顺序和导通时间,将滤波后的直流电转换成频率和电压都可以变化的交流电。输出频率和输出电压的调节均由逆变器按PWM方式来完成。
(1)开关电源(注:为5.5kW/7.5kW电源)
施耐德变频器的辅助电源采用开关电源,具有体积小、功耗低,效率高等优点。电源输入为主回路直流母线电压约513V。通过脉冲变压器的隔离变换和变压器副边的整流滤波可以得到多路直流电压输出。其中.+12V、-12V、+5v共地.+12V采用TA78M12S三端稳压集成电路,-12V采用TA7912S稳压,+5v采用MJN7223DLl-50稳压。电源振荡采用FA13842F,正负12V给传感器、运放等电路供电.+5v给DSP以及数字电路供电。相互隔离的四路+18V给IGBT模块的上下桥驱动供电。实测的5.5kW(7.5kW)开关电源图(见下图)。

需要注意的是当FA13842F损坏时,不能用UC3842代换。

0.75kW和1.5kW的DSP以及软件都相同,电路相同,只是桥驱动部分有部分元件的参数不同。0.75kW和1.5kW不相同元器件的参数如下表所示。

维修时只要将0.75kW变频器按1.5kW变频器的参数按表2进行修改,就可以成为1.5kW变频器。
下桥的PWM信号从DSP输出到IC101(TD62930F)的(4)、(5)、(6)脚,进行隔离放大。从IC101的(9)、(10)、(12)、(13)、(15)、(16)脚输出通过ZD142、ZDI52、ZD162(16V稳压管)、D442、D452、D462(A6)组成的保护线路输入到模块的IGBT下桥。
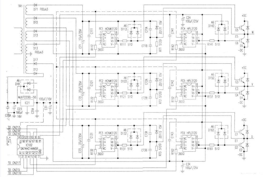
(2)5.5kW/7.2kW变频器驱动电路5.5kW/7.5kW的上下桥驱动线路见下图。从DSP输出的PWM信号分别送到IC102(SN74HC14ANSR)的(9)、(13)、(3)、(11)、(1)、(5)脚,其中(9)、(13)、(3)脚为上桥驱动信号,(11)、(1)、(5)脚为下桥驱动信号。经过六反相器整形放大后分别从(8)、(12)、(4)脚输出上桥信号,从(10)、(2)、(6)脚输出下桥驱动信号。分别送到PC1、PC2、PC3(HCNW3120)和PC4、PC5、PC6(HC-PL-3120)光耦隔离输出。再经过由D112、D122、D132(A6)、ZD171、ZD172、ZD173(15V稳压管)、D142、D152、D162(A6)组成的保护线路分别送到IGBT模块的上下桥。

5.5kW和7.5kW的变频器软件相同,线路相同。只有模块和储能电容参数不同,5.5KW的模块型号为:Skiip 31NAB125T12,电容为:390μF/420V×8只,7.5KW的模块型号为:Skiip 32NAB125T12,电容为:550μF/420V×8只。
