
在变频器应用中因受周围环境条件,如:温度、湿度、粉尘、硫化氢腐蚀性气体等因素的影响,出现的各种故障报警现象也很多,在维修过程中我们积累了一些故障处理、维修维护保养的经验,下面对西门子6SE70系列变频器有代表性的故障现象进行分析介绍。此文中电路板图为维修过程中实际测绘下来的(因文中章节多次涉及同一电子器件,电路板图未按照顺序排列,论述问题涉及到的部分电路,请参见相关电路板图),仅供大家在维修时参考。
变频器故障实例的处理
变频器操作手册上的故障对策表中介绍的皆为较常见的故障,在出现未涉及的一些代码时应对变频器作全面检查。变频器的维修方式采用在线电压检测及直流电阻测量两种方法,测量各关键点电压并与正常值进行比较,将故障范围缩小,进行分析判断;测量元器件直流电阻,根据贴片电阻色环进行判断比较,然后将怀疑元器件拆下,再测量元器件直流电阻,采用比较法来确定元器件的好坏。
2.1 西门子6SE7016-1TA61-Z变频器的操作控制面板PMU液晶显示屏上显示字母“E”报警
变频器液晶显示屏上出现“E”报警时,变频器不能工作,按P键及重新停、送电均无效,查操作手册又无相关的介绍,在检查外接DC24V电源时,发现电压较低,解决后,变频器工作正常。但是出现“E”报警一般来讲是CUVC板损坏,更换一块新CUVC板就能正常。“E”报警有以下几种情况是由底板及CUVC通讯板故障引起的:
(1)故障现象:操作控制面板PMU液晶显示屏显示“E”报警
检查处理(参见图1、图2):更换一块新CUVC板送电开机,液晶显示屏仍显示“E”报警,说明故障原因不在CUVC板而在底板。检查底板,用数字万用表测外接DC24V电压正常,检测集成块N3基准电压不正常,集成块N2 20脚输出电压为0.1V,明显偏低,正常值应为15V,查集成块N2的1脚为11.3V,8脚为0.20V,11脚电源输入为27.5V,正常。经分析判断1脚、8脚、20脚电压值都不正常。测集成块N3的1脚电压为0.31V,2脚电压为1.8V,电压值也都偏低。用热风枪拆下N3集成块MC340,测2脚与3脚之间的电阻为84Ω。更换一块新N3集成块MC340后,测各引脚电压,1脚为2.1V,2脚为5.1V,正常。测N2集成块各脚电压也都恢复正常。集成块N3输出电压不正常,引起N2集成块各脚电压也出现偏移。恢复变频器接线,输入参数,启动变频器运行正常。

图1 集成块N2的相关电路

图2 集成块N3的相关电路
N2集成块L4979各引脚电压数据如表1所示。

N3 集成块MC340各引脚电压数据如表2所示。

(2)故障现象:操作控制面板PMU液晶显示屏显示“E”报警
检查处理(参见图1、图2):用数字万用表测底板N2、N3集成块各脚电压,N3的1脚N2的8脚电压都偏低,测V28三极管的基极偏置电阻4.7kΩ已变值为150kΩ。更换新贴片电阻,测N2、N3各脚电压正常。因V28基极偏置电阻变值,导致V28三极管截,造成N2、N3集成块不能正常工作。
(3)故障现象:操作控制面板PMU板液晶显示屏显示“E”报警
检查处理:一台“E”报警的变频器,将变频器原CUVC板上CBT通讯板拆下,装在新CUVC板上,变频器装好CUVC板,启动后。液晶显示屏仍显示“E”报警。拆下CUVC板检查发现CBT通讯板上贴片电阻烧坏。更换新CBT通讯板后,变频器启动工作正常。
(4)故障现象:操作控制面板PMU板液晶显示屏显示“E”报警
检查处理(参见图1、图2、图4):检查底板电源块N2(L4974A)第1脚的开机电压为11.32V,正常值为26.7V;第20脚输出电压为0.117V,正常值为15.31V;基准电压块N3(MC340)第1脚电压为0.315V,正常值为2.1V;第2脚的电压值在1.5~1.8V之间变化,而正常值为5.1V。检查继电器K4,线圈电路串联两支二极管V16、V15,电阻值分别为3.67Ω和5.5Ω,已经短路,V28(5C)三极管基极电阻由正常值4.7kΩ变为150kΩ,已经烧坏。更换新的电阻和二极管后,运行正常。
2.2 西门子6SE70系列变频器的操作控制面板PMU液晶显示屏上无显示,“黑屏”
(1)故障现象:西门子6SE7016-1TA61-Z变频器操作控制面板PMU液晶显示屏“黑屏”
检查处理(参见图3、图1、图2):检查底板V34场效应管K2225,发现栅极保护贴片电阻24Ω变值为500kΩ,已损坏。检测N2集成块的20脚无电压,1脚为11.3V,N3集成块MC340脚为4V,2脚为3.3V。用热风枪将N3集成块MC340拆下测量1脚与3脚之间的阻值变为9kΩ,正常应为500kΩ。更换新的N3集成块MC340和24Ω贴片电阻。上电测试N2、N3集成块各引脚电压,正常。恢复接线,运行正常。

图3 总电源部分电路
操作控制面板PMU液晶显示屏“黑屏”故障,大部分与底板V34电源管控制极24Ω保护贴片电阻变值有直接关系,变值后的电阻值一般为500kΩ~1MΩ之间,有的电阻值变为无穷大。
(2)故障现象:操作控制面板PMU液晶显示屏“黑屏”
检查处理(参见图4、图3、图2):检查底板,测量K4继电器线圈并联续流二极管V20,与K4线圈串接二极管V16击穿短路,测N7电源块L7824损坏,N4集成块UC3844AN 1脚对地电阻500Ω,正常值应为15kΩ。更换同型号二极管2支、N4集成块UC3844AN、N7电源块L7824后,测试各点电压正常。

图4 X9端子与继电器K4的相关电路
N4集成块UC3844AN各引脚电压数据如表3所示。

N7 集成块L7824各引脚电压数据如表4所示。

(3)故障现象:操作控制面板PMU液晶显示屏“黑屏”
检查处理(参见图3):检查底板,测量N4集成块UC3844AN 4-8脚之间的7.5KΩ电阻烧坏,V34场效应管K2225栅极限流电阻R133变值为720kΩ,用热风枪将贴片电阻拆下,更换新贴片电阻。上电测试各点电压,正常。恢复接线,送电运行正常。
(4)故障现象:操作控制面板PMU液晶显示屏“黑屏”
检查处理(参见图3、图5):检查底板,测量V34场效应管K2225,发现栅极保护贴片电阻24Ω变值为430kΩ,电源变压器T6二次绕组之间,经V58串联连接的5只相并联的100Ω电阻值为33Ω,拆下测100Ω电阻其中一只已变值为10MΩ,另一只电阻变值为1MΩ。更换24Ω、100Ω电阻。

图5 X239端子与集成块N5的相关电路
(5)故障现象:操作控制面板PMU液晶显示屏“黑屏”
检查处理:检查底板,25A正负熔断器F1、F2全部熔断(见图6),测量IGBT模块输出端U相与V相之间,电阻值为11Ω,已经短路,(正常阻值应该为210kΩ),IGBT模块触发部分触发板A12、A32、A22的3脚与4脚和7脚、5脚、8脚的电阻值变为1.9Ω,已经短路。更换同型号六单元IGBT模块(型号为BSM15G120DN12)与触发电路板A12、A32、A22后,恢复接线,变频器上电,测量各个电源输出电压正常,IGBT模块6个触发电路脚电压为-5.1V,正常,显示正常。

图6 6SE701G变频器主电路图
(6)故障现象:操作控制面板PMU液晶显示屏“黑屏”
检查处理(参见图3):检查底板电源部分,查N4(UC3844)PWM脉宽调制集成块,测量外接4脚振荡电阻原为7.5Ω,现在变为420kΩ,运行正常。
(7)故障现象:操作控制面板PMU液晶显示屏“黑屏”
检查处理(参见图3):检查底板:主开关电源开关管V34(K2225)栅极限流电阻R133(100Ω和24Ω)电阻烧坏,测量N4(3844)PWM集成块,3脚过流保护外接电阻由正常时的100Ω变为400kΩ,更换后,运行正常。
(8)故障现象:操作控制面板PMU液晶显示屏“黑屏”
检查处理(参见图3、图7、图10):检查底板开关电源,脉宽调制集成块N4,测量第4脚与第8脚振荡电阻由正常时的7.5kΩ变为420kΩ,第6脚输出电阻R133由正常时的100Ω变为300Ω,电压检测部分N1(TL084)第14脚输出外接电阻R203由正常时的47Ω变为544kΩ,触发板输出电阻IGBT第11脚接电阻R226由正常时的9Ω(两支18Ω电阻并联)变为144Ω,第4脚R214由正常时的18.5Ω变为21Ω,第3脚接电阻R126由正常时的9Ω变为18.3Ω,第1脚接电阻R116由正常时的9Ω变为12.6Ω,将上面的电阻重新更换后,运行正常。

图7 电流电压检出板电路
(9)故障现象:操作控制面板PMU液晶显示屏“黑屏”
检查处理(参见图3、图2):检查底板开关电源,开关管V34(K2255)场效应管栅极2000Ω限流电阻烧坏,V28(5C)三极管10kΩ和1.2kΩ基极电阻均烧坏,N3基准电压块MC340的脚接1000Ω电阻烧坏,更换新电阻后,运行正常。
(10)故障现象:操作控制面板PMU液晶显示屏“黑屏”
检查处理(参见图3):检查底板开关电源,开关管V34(K2255)和漏极电阻R400(10Ω)烧坏,其他正常,更换后,插好CUVC板,变频器上电,显示“008”开机封锁,重新初始化,输入参数后,运行正常。
(11)故障现象:操作控制面板PMU液晶显示屏“黑屏”
检查处理(参见图1、图7):检查底板,上电,听到开关电源“咝咝”声音很大,测量各输出点电压,集成块N2的20脚输出电压稍微偏低为14.95V,正常值为15.30V,其他各点输出电压正常。停电,测量电流检测板A1,发现4脚与7脚之间电阻值为2.84Ω,正常值约为3.1kΩ,更换一块电流检测板A1后,变频器上电显示“F029”,测量A1板的1脚与4脚之间的电阻值为无穷大,正常值为25Ω,拆下U相电流变送器T4,测量T4与电流检测板A1的1脚、4脚并接的线圈电阻,阻值为无限大,线圈断路(线圈的正常阻值为25Ω)。更换新的电流变送器T4后,变频器上电,运行正常。
(12)故障现象:操作控制面板PMU液晶显示屏“黑屏”
检查处理(参见图8、图7):检查,上电,自检完成后,内部继电器K3吸一下就跳,连接X9的7点与9点闭合一下马上断开(K3的常开点外接主电路接触器线圈)测量各点输出电压正常,断电测量电流检测板A1的第4脚与第6脚之间的电阻值为2140Ω,正常电阻值为3200Ω,更换电流检测板后,运行正常。

图8 X239端子和继电器K3的相关电路
(13)故障现象:操作控制面板PMU液晶显示屏“黑屏”
检查处理(参见图9):检查底板、二次电源,逆变开关管V2(IRF520)场效应管,栅极限流电阻由原正常阻值10Ω变为590kΩ,拆下测量为11MΩ,更换后,运行正常。

图9 触发电源板电路
2.3 西门子变频器的操作控制面板PMU液晶显示屏上显示“008”,开机封锁
变频器起动自检完毕,出现开机封锁“008”报警,008是启动封锁,一般,故障复位以后,要将“使能”、“ON/OFF1”置0,如果仍然在008状态,要检查系统的“OFF2”是不是置0了;或者硬件的“紧急停车”端子开路了;或者功率定义错了(例如功率定义应为43,结果定义成36);检查比较状态字1,位6的状态字有没有问题,如果状态字正常,应检查变频器电路板。
(1)故障现象:操作控制面板PMU液晶显示屏显示“008”
检查处理(参见图10):检查触发板A21集成块,9脚外接7.5kΩ电阻,变值为298kΩ。更换新电阻后,运行正常。
(2)故障现象:操作控制面板PMU液晶显示屏显示“008”开机封锁不能复位。
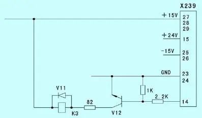
检查处理(参见图8、图5):将变频器重新初始化,输入参数,显示“009”开机准备状态。变频器带负载上电,加入给定频率,输出正常。5min后,K3继电器带外接主接触器出现断续的掉电声,停电检查变频器,更换一块新CUVC板,开机后变频器故障依旧,停电检查变频器主板,检测到N5(MC33167T)集成块时,电源发出“咝咝”声,断电,用万用表电阻挡检查,发现接1脚100kΩ电阻烧坏。底板控制K3继电器三极管V12基极电阻变值为4kΩ,正常值应为2.2kΩ。更换损坏的贴片电阻后,运行正常。
(3)西门子6SE7023-4TC61-E变频器操作控制面板PMU显示屏显示“OO8”故障维修
检查处理(参见图2、图1、图5):检查底板电源N3正常,N2第20脚输出电压14.50V,稍微偏低,正常值为15.30V,N5第二脚电压为5.6V,测量使电源发出“咝咝”响声,查为第1脚处外接100kΩ电阻、CUVC板连接器X239A第20脚接3.3kΩ电阻烧坏,更换后,变频器上电,显示“009”,启动后,正常。
2.4 西门子6SE7021-OTA61-Z变频器的操作控制面板PMU液晶显示屏上显示“F008”报警
(1)故障现象:操作控制面板PMU液晶显示屏显示“F008”,复位后显示“009”开机准备,变频器起动,加入给定频率20s后,显示“F008”报警
检查处理(参见图7):检查变频器电压、电流检测集成块N1(TL084)接3脚的电阻R209由4.7Ω变值为888kΩ,接14脚电阻R203由4.7Ω变值为185kΩ。更换新电阻后,正常。
(2)故障现象:上电自检完后,变频器操作控制面板PMU显示屏显示“FOO8”,复位后显示“OO9”,但不能启动。
检查处理(参见图10):检查触发电路检测部分三极管V17(5C)集电极电阻R152,阻值为1.69kΩ,正常时的电阻值应为1.275kΩ(4只5.1kΩ贴片电阻并联),其中一只电阻烧坏,更换一只新电阻后,正常。

图10 触发板电路图
(3)故障现象:上电自检完后,变频器操作控制面板PMU显示屏显示“FOO8”,复位后显示“OO9”,启动后给定频率,20s后跳闸,显示“FOO8”。
检查处理(参见图7):检查电流电压的检测部分运算放大器N1(TL084)集成块第7脚的输出外接电阻R209,电阻值由正常时的47Ω变为888kΩ,第14脚输出外接电阻R203,电阻值由正常值47Ω变为185kΩ,更换新电阻后,正常。
(4)故障现象:操作控制面板PMU显示屏显示“F008”报警,变频器上电自检,显示“009”开机准备状态,但是随后显示“F008”不能启动。
检查处理(参见图7):检查底板电压、电流检测部分,发现R56在线测量阻值为4.3kΩ,正常值为900Ω,用热风枪拆下测量阻值为1MΩ,已经烧坏。更换新电阻值后,运行正常。
2.5 西门子6SE70系列变频器的操作控制面板PMU液晶显示屏上显示“F011”,报警
(1)故障现象:操作控制面板PMU液晶显示屏显示“F011”报警,不能复位
检查处理(参见图7):电压检测块N1(TL084)7脚外接47Ω电阻变为15Ω,V2(IRF520)G极保护电阻由正常阻值10Ω变为340kΩ,更换后,运行正常。
(2)故障现象:操作控制面板PMU液晶显示屏显示“F011”报警,且变频器有焦糊味。
检查处理(参见图1、图5、图10):测量N2第20脚输出电压只有5.1V,1脚输出电压为16.5V,检查发现N2第9脚接1kΩ电阻烧坏,N5第1脚接100kΩ电阻变为20MΩ,3脚外接10Ω电阻变为2MΩ,触发板A22第3脚与第4脚接4.7kΩ电阻烧坏,更换上述电阻后,运行正常。
2.6 6SE7022-6TA61-E 变频器上电初始运行正常,10s后就跳闸,显示“F006”
检查处理(参见图10):检查变频器底板,测量各点电压正常,未发现问题,后来将IGBT模块、触发电路板A21、三极管V17(5C)、各个管脚重新焊接后,运行正常。
结束语
在西门子6SE70变频器的常见维修中,由于其电路板上选用的大都是贴片电阻、电容、贴片二极管、三极管、IC芯片,因受电路板体积所限,所选用元器件体积及功率都很小,因受周围环境温度的影响导致电路板散热不太好,引起的故障所占比例较大。
在日常维护时,一方面应注意检查电网电压,改善变频器、电机及线路的周边环境,定期清除变频器内部灰尘,通过加强设备管理限度地降低变频器的故障率。另一方面应注意在维修过程中尽量减少静电的危害,较高的静电电压可能对电子元件造成损坏,在更换电路板及元器件时,应该佩戴防静电接地环和防静电腕带,没有条件时可以将防静电接地线缠绕于腕上。
相关链接:西门子变频器维修不求人,超全故障代码表+故障解决方案
西门子MM440-11KW变频器炸模块故障修复及IGBT脱板报警屏蔽实例
下一页:变频器跳闸故障分析和处理方法