
一、IS620P伺服基础知识。
1、命名规则。

(1)IS620P系列伺服驱动器以电流大小命名。
(2)电压等级有220V和380V两种。
(3)尺寸分为SIZE-A ,SIZE-C,SIZE-D。
(4)功率覆盖0.1KW到7.5KW。
(5)支持非标功能。
2、IS620P产品型录。

IS620P伺服所有型号如上,便于参照选型。
二、IS620P控制-脉冲控制。

1、脉冲类型。
集电极开路脉冲与差分脉冲。
差分脉冲抗扰动能力强,可接收的脉冲频率更高。
2、IS620P伺服可接收的脉冲频率。
(1)低速口集电极:200K
(2)低速口差分:500K
(3)高速口差分:4M。
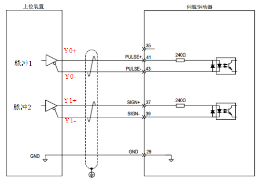
3、IS620P伺服脉冲引脚说明。

4、脉冲控制-低速集电极脉冲。
(1)硬件接线。

(2)软件功能码设置。

5、脉冲控制-低速差分脉冲。
(1)硬件接线。

(2)软件功能码设置。

6、脉冲控制-高速差分脉冲。
(1)硬件接线。

(2)软件功能码设置。

7、程序控制。(以汇川H3u PLC控制IS620P伺服为例)

8、脉冲控制常见问题处理。

三、IS620P控制-内部多段位置控制。
1、控制说明。
(1)汇川IS620P伺服支持内部多段位置控制方式,最多支持16段位置。
(2)将每段的目标位置、运行速度、加速度时间提前设定到伺服响应功
能码中,通过外部DI设定的位置触发功能,触发后,伺服开始运行设定的
位置,定位完成后,伺服输出定位完成信号,通过DO传送出来,完成一次
定位动作。
2、硬件接线。
(1)DI接线。

(2)DO接线。

3、软件设置。


4、控制逻辑。
(1)伺服使能,DI5置位;
(2)目标位置选择,DI7与DI8组合。
(3)定位触发,DI6置位。
(4)定位完成,DO2输出。
5、程序控制。(以汇川H3u PLC控制IS620P伺服为例)

四、IS620P控制-MODBUS总线控制。
1、控制说明。
(1)汇川IS620P伺服自带485通信口,支持MODBUS-RTU从站协议,
可以与MODBUS主站进行数据交互。
(2)通过MODBUS-RTU通信,将目标位置、运行速度、加减速时间
设定到IS620P伺服对应功能码中,触发控制字,实现定位控制。
2、硬件接线。(以汇川H3u PLC控制IS620P伺服为例)
(1)MODBUS通信接线。


(2)DI DO接线。

3、软件功能码设置。

4、程序控制。(以汇川H3u PLC控制IS620P伺服为例)

五、IS620P控制-CANlink控制。
1、控制说明。
(1)汇川IS620P-C伺服,支持CANlink通信协议,
可以与汇川CANlink主站进行数据交互,实现通信控制。
(2)通过CANlink通信,将目标位置、运行速度、
加减速时间设定到IS620P伺服对应功能码中,触发控制字,
实现定位控制。
(3)系统拓扑。(经典)

2、硬件接线。CANlink通信接线。

3、软件功能码设置。

4、程序控制。(以汇川H3u PLC控制IS620P-C伺服为例)


相关链接:汇川伺服配置教程(SV660F系列为例)