
一、变频器电压检测电路
在变频器的运行过程中,对主回路电压和控制电压的监测是至关重要的,因为这关系到输出控制以及过电压、欠电压保护等核心功能的实现。变频器内部通常采用两种电压检测方式:直流电压检测和交流电压检测。
直流电压的检测在变频器中扮演着至关重要的角色,它直接关系到输出控制和各种保护功能的实现。这种检测方式通常有两种实现途径。直流电压检测在变频器中通过两种主要途径实现,一种是通过直接从直流母线上分压,并利用光电耦合器进行处理,随后将处理后的信号送入CPU内部的A/D电路进行采样,从而获得母线电压的精确值。这种方式在图中得到了应用。
另一种直流电压检测方法则是通过开关电源的开关变压器次级绕组获取一个低压信号,然后经过A/D电路的采样和换算,最终得出直流母线电压的值。两种方法都具有重要作用,都能在异常电压情况下触发保护机制,确保变频器的安全运行。此外,如果变频器配备了制动模块,当检测到异常电压时,还会启动直流制动电路,通过制动电阻器消耗多余的能量。


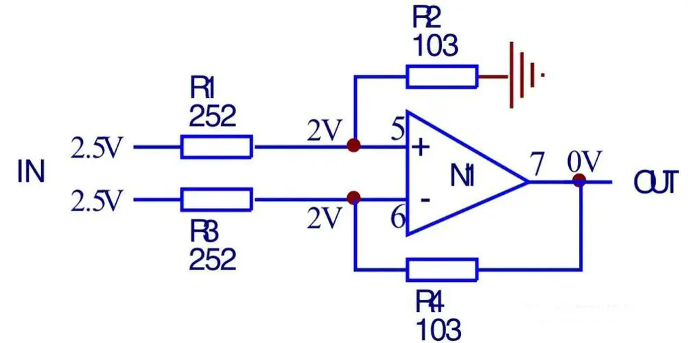
交流输入电压检测电路的核心任务是监测R、S、T端输入的电源电压。首先,这些电压会经过电阻器进行降压或限流处理,以确保电路的安全。随后,这些经过处理的电压会通过桥式整流电路进行整流,转化为脉动直流电压,利用光电耦合器进行处理,然后由CPU判断是否存在缺相情况,确保电路安全。其整个工作过程如图所示。


变频器OC故障,通常分为两种情形:一种是上电后立即出现OC故障,另一种是在启动或运行过程中才报OC故障。上电后立即报OC故障表明CPU发现过载或电流检测电路损坏,需要详细检测以确认问题根源,通过分析电路可识别是否为过载或电流检测问题。

上电即报OC故障的分析过程,如图所示。

启动时或运行中报OC故障,是指变频器在上电后启动瞬间,或已正常启动但在运行过程中,操作面板显示出OC故障。这种故障情况通常涉及到硬件电路的过载保护功能,需对电路进行详细检查。

GF故障可分为上电瞬间故障和启动瞬间故障,需仔细检查变频器各部分以准确判断故障点。变频器报GF故障,通常分为两种情形:一是在上电瞬间即出现GF故障;二是在启动的瞬间发生GF故障。

电流互感器在变频器中扮演着重要角色,它主要负责收集变频器输出电流的数据。为了判断电流互感器的工作状态,我们可以测量其输出电压。电流互感器负责电流数据收集,静态时对地输出约为0V。检测电流互感器的好坏涉及测量输出电压。

电流检测电路供电电压异常常见于故障原因,检测供电电路元器件有助于定位问题。一旦发现电流检测电路的供电电压存在问题,我们可以进一步通过检测供电电路中的各个元器件来定位故障的具体位置。

测量电流检测电路的输入输出阻值判断电路工作状态是常用的诊断方法。这种测量方法可以帮助我们诊断并解决问题。

由于变频器电路板在工作时面临高温、高电压、高电流以及可能的高湿环境,这些恶劣条件容易导致电路板上的元器件老化、性能下降,甚至直接损坏。因此,在电流检测电路出现问题时,我们可以通过测量电路中的元器件来找出损坏的部分,从而排除故障。通过测量电流检测电路中的元器件来判断故障位置,尤其在高温、高电压环境下工作正常性下降


相关链接: 变频器过电压维修和原因分析
上一页:这已是第一页了