
本文通过各方资料及个人理解整合,通过下面三菱伺服驱动器例子,解释一下软元件简称,电源接线重点注意等:

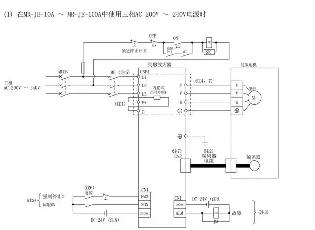
一、在图中能看到SON,DICOM,DOCOM,ALM等这些是软元件的简称。

1、伺服ON/SON:什么是伺服ON?
伺服ON就是伺服进入准备状态。伺服放大器在接通电源后2.5s~3.5s就能够处理 SON(伺服 ON )。因此,如果在接通电源的同时开启 SON (伺服ON ),在2.5s~3.5s后主电路大约5ms之后 RD(准备完成)就会变为 ON ,进入到可运行的状态(已经使能)。这时候只要有驱动信号(脉冲或者通讯)就可以运行。
2、DICOM和DOCOM
通俗点理解 I输入 O输出 COM端子/公共端
DICOM输入公共脚,DOCOM输出公共脚
如漏型接法图中:EM2(急停信号) 伺服ON与DICOM接线,电源正接在DICOM。
(漏型,电流是从端子流进去,可以理解信号端输入低电平)
ALM是报警信号,与DOCOM输出公共脚连接
二、CN1看到有好多引脚,了解一下每一个引脚对应着什么


数字I/F

了解一下:这些像键盘一样的数字,他们分别对应不同的软元件:
下图表I是输入信号/0是输出信号,P是位置控制模式,S是速度控制模式,T是转矩控制模式,P/S位置/速度切换模式
根据自己的需要接线:后续再单独介绍不同软元件的功能

三、电源接线注意

在电源和伺服放大器的电源 (L1·L2·L3) 之间,务必连接电磁接触器MC,使伺服放大器的电源测的结构能够切断电源。若未连接电磁接触器,在伺服放大器发生故障,持续通过大电流时,可能会造成火灾。要通过ALM (故障) 信号切断电源。再生晶体管发生故障时,可能会使再生电阻器异常过热而造成火灾等。
文章来源于网络 版权归原作者 如有侵权请联系删除

相关链接:一张图,教你秒懂伺服系统接线