旭兴达--变频器维修、伺服器维修第一品牌
13335228089
新闻动态

全国服务热线(免长途费)

400-678-6333

总部电话0760-87773242

咨询热线18825023293

广佛总公司客服:

上海分公司客服:

公司技术部客服:

行业动态网站首页 新闻动态 行业动态 信息正文

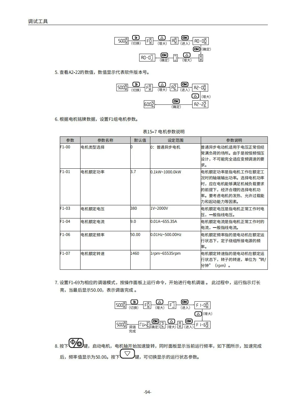
干货 | 汇川MD600变频器快速调试

点击数:4 更新时间:11/19/2025 3:11:08 PM Tag: 汇川变频器调试 汇川MD600调试

相关链接:汇川MD600系列简易型通用变频器产品简述

            应用手机级散热技术的变频器真的存在吗?汇川MD600:存在!